AUTOVIA.cz - prodej a výroba přívěsů! Nákladní přívěsy i vozíky za auto
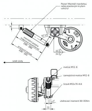
Tlumič k nápravě KNOTT typ 990001 (do 1800 kg/1 náprava)
Největší výběr přívěsů v České republice!
Náhradní díly
Nápravy - náhradní díly
Tlumiče náprav a držáky
Tlumič k nápravě KNOTT typ 990001 (do 1800 kg/1 náprava)
Hledej přívěs
Tlumič k nápravě KNOTT typ 990001 (do 1800 kg/1 náprava)
< Návrat zpět seznam náhradních dílů
Skladem ihned k odběru
Přívěs / náhradní díl již není dostupný
Omlouváme se, ale zboží již není dostupné v našem sortimentu. Prosím zvolte jinou alternativu. Děkujeme.
| Naše cena bez DPH: 638 CZK | |
| 772 CZK s DPH | |
Skladem 15 ks
Pondělí-Pátek
8-17hod
Volejte774 004 618, 775 606 022
377 829 094
Podrobný popis
- - tlumič pro nápravu Knott
- - typ 990001
- - do 3500 kg ( 1 náprava )
- - délka na otvory 225mm stažený, délka na otvory 335mm roztažený
- - průměr černého těla 30,5mm, průměr stříbrného těla 24mm

Technické specifikace se mohou změnit bez výslovného upozornění. Obrázky mají pouze informativní charakter a mohou obsahovat i prvky nadstandardní výbavy.






































