AUTOVIA.cz - prodej a výroba přívěsů! Nákladní přívěsy i vozíky za auto
Konzola pro držák opěrného kolečka na brzdu AL-KO 161S/161S PLUS/251S/251S PLUS/251G
Die größte Anhängerauswahl in der Tschechischen Republik!
Suche Anhänger
Konzola pro držák opěrného kolečka na brzdu AL-KO 161S/161S PLUS/251S/251S PLUS/251G
< Návrat zpět seznam náhradních dílů
Skladem ihned k odběru
| Unser Preis ohne MwSt.: 556 CZK | |
| 673 CZK inkl. MwSt. | |
Skladem 7 ks
Pondělí-Pátek
8-17hod
Rufen Sie an774 004 618, 775 606 022
377 829 094
Nähere Beschreibung
-
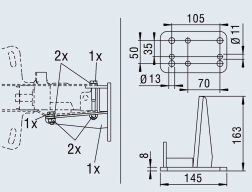
- Konzola pro uchycení držáku opěrného kolečka ze zadní strany k nájezdové brzdě AL-KO 161S, 251S nebo 251G pro V-oj (spodní i horní montáž).
- Konzola se šroubuje do připravených otvorů na tělese nájezdové brzdy.Spojovací materiál pro uchycení konzoly na brzdu je součástí dodávky.
- Spojovací materiál pro uchycení konzoly na brzdu je součástí dodávky. Vlastní držák opěrného kolečka není součástí dodávky.
- Kompatibilní s více typy držáků opěrných koleček (AL-KO, Winterhoff, KNOTT)
- Umožňuje umístění opěrného kolečka co nejblíže k podélné ose přívěsu, což je ideální poloha při potřebě přizvednutí přední části přívěsu.
Technische Spezifikationen können sich auch ohne einen ausdrücklichen Hinweis ändern. Die Abbildungen dienen nur zur Information und können in der Ausstattung auch verschiedene Extras beinhalten.






































