AUTOVIA.cz - prodej a výroba přívěsů! Nákladní přívěsy i vozíky za auto
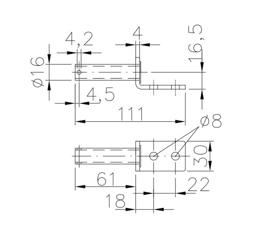
Čep pantu BSCHG 10-17-A (s dírou pro závlačku)
Die größte Anhängerauswahl in der Tschechischen Republik!
Suche Anhänger
Čep pantu BSCHG 10-17-A (s dírou pro závlačku)
< Návrat zpět seznam náhradních dílů
Skladem ihned k odběru
Čep pantu BSCHG 10-17-A (s dírou pro závlačku)
| Unser Preis ohne MwSt.: 56 CZK | |
| 68 CZK inkl. MwSt. | |
Skladem 9 ks
Pondělí-Pátek
8-17hod
Rufen Sie an774 004 618, 775 606 022
377 829 094
Nähere Beschreibung
| Výrobce: | WINTERHOFF |
|---|---|
| Part ID: | 1860089 |
| Objednací číslo: | 100734 |
Čep o k pantům BSCH, určený k přišroubování, galvanicky pozinkovaný.
Čep je vyroben z trubky o vnějším průměru 16 mm. Na konci čepu je průvrt pro případné zasunutí zajišťovací závlačky (závlačka není součástí dodávky).
Technische Spezifikationen können sich auch ohne einen ausdrücklichen Hinweis ändern. Die Abbildungen dienen nur zur Information und können in der Ausstattung auch verschiedene Extras beinhalten.






































